Автоцентр "Остров" +7 (978)845-23-33 Севастополь, Балаклавское шоссе, 7, info@ostrov.at

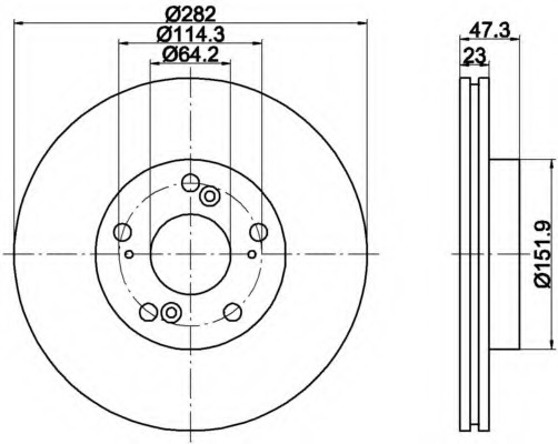
MDC1567 MINTEX Тормозной диск

Цены и остатки

Артикул


MDC1567

Тормозной диск
СкладПодольскПоставка5 днейКол-во12712В корзину

Аналоги

Тормозной диск

По артикулу MDC1567 в разделе 'Тормозной диск' найден товар Тормозной диск от производителя . На данный момент тормозной диск отсутствует в наших представительствах в Севастополе, но мы можем предложить оформить заказ на товар с артикулом MDC1567 с достакой в течении 5 дней. С ценами и наличием товара Вы можете ознакомиться во вкладке 'Остатки Остатки по складам'. Обратите внимание, что в катагоге 'Тормозной диск' существует около 101 аналогов товара 'Тормозной диск' от таких брендов, как LPR, DELPHI, TRUSTING, Fri.Tech.. Тормозной диск используется более чем в 9 моделях автомобилей HONDA .

Подобрали для вас